Megjelent az új Labor kiadványunk, cikkünk a 2025/1-es lapszámból közöljük.
Propozíció
Többé-kevésbé másfél évszázados várakozás után 2024. június 6-án érkezett el a pillanat, hogy a Duna 1520-as folyamkilométerénél, az ország észak-déli tengelyének nagyjából a közepén is megépüljön egy közúti Dunahíd átkelő. A Tomori Pál híd (munkanevén „Kalocsa–Paks új Duna-híd”) a 21. a Duna magyarországi főágán. A sok tekintetben különleges műtárgy szerkezetileg 3 hídból áll – balparti ártéri híd (hossza 220,10 m), a mederhíd, vagyis a mederhíd (440 m) és a jobbparti ártéri híd (286,10 m) –, egyedisége pedig a mederhíd feszített-függesztett szerkezetéből fakad. A szakirodalomban extradosed elnevezéssel találunk már elég nagy mennyiségű anyagot erről a hídtípusról annak ellenére, hogy ez a megoldás a hídépítés világában még gyerekcipőben jár. (Ha vizualizálni akarjuk a különbségeket, az extradosed hidak a ferdekábeles és a gerendahidak között találnák meg a helyüket egy felsorolásban.)
Ez a másfél évszázad természetesen azt is jelenti, hogy jó pár hivatalos/nem hivatalos ötlet, javaslat, tanulmány született már a Tomori hidat tervező CÉH zRt. hídépítő mérnökeinek végül megvalósuló tervei előtt is, azaz nekik sem teljesen a nulláról kellett elkezdeniük a munkát. A Közlekedésfejlesztési Koordinációs Központ megbízásából a Hegymagas Kft. 2015-ben elkészített egy megvalósítási és helykijelölési tanulmányt a „Kalocsa-Paks térségében tervezett Dunahíd” megvalósíthatóságára vonatkozóan, amely kiindulási adatként szolgált tárgyi tervezési feladat elvégzéséhez. Fontos megemlíteni, hogy a CÉH hídtervezési szakága olyan hatalmas dunai hídberuházásokban működött közre sikeresen, mint például a Megyeri híd, vagy a Margit híd és a Széchenyi Lánchíd felújítása. Referenciáik között számos közúti vagy gyalogoshidat találunk itthon és külföldön egyaránt.

A tervezési előzmények egyik meghatározó pontja az a 2015-ös döntés, amelyben a kormány határozott a Kalocsa–Paks híd megépítéséről, valamint a hídhoz csatlakozó nyomvonal-javaslatokról is, hiszen a Tomori híd fontos közúti kapcsolat is. A teljes projektbe két út tervezése is beletartozott. Az egyik az 512-es számú főút, amely az 51-es számú főutat köti össze az M6-os autópályával – ezen a kelet-nyugati főútvonalon áll az új Duna-híd is –, valamint az új észak-déli irányú összeköttetés Paks és Gerjen között egy négyszámjegyű (5124-es) összekötő úttal. Ebben a dokumentumban már szerepeltek javaslatok a híd típusára vonatkozóan is, és ezeket továbbfejlesztve, tovább gondolva alakult ki végül az egyedi extradosed szerkezet.
Ha ránézünk a térképre, kirajzolódik a magyarországi Duna-hidak egyfajta, az átkelés szempontjából praktikus ritmusa. A Tomori híd a dunaújvárosi és a szekszárdi átkelés között körülbelül félúton található, majd következik a most épülő mohácsi Duna-híd. Annyit ehhez a megállapításhoz hozzá kell fűzni, hogy a Tomori Pál híd megépítésének gondolata a paksi bővítésből ered. Az erőmű-bővítés szükségszerűen igényli a környezet több szempontú bevonását, és a korábban említett projektcsomagban már szerepelt az a gondolat, hogy nagyjából ennél a folyamkilométernél épüljön meg egy közvetlen átkelés. Ezzel a Duna-Tisza köze is közvetlenül kapcsolódik Paks 2-höz, ami a munkaerő-áramlás szempontjából igencsak előnyös lehet. Tulajdonképpen ezért is került a híd mindkét oldalára egy-egy relatív széles (2,25 m) kerékpárút.

A tervezésre kiírt nyílt pályázatot a CÉH zRt. az UTIBER-rel és a Pont-Terv Zrt.-vel konzorciumban nyerte meg. Az UTIBER az úttervezéssel foglalkozott, a CÉH és a Pont-Terv a hidak tervezését végezte. A kivitelező kiválasztása egy másik közbeszerzési eljárás keretében történt meg, a pályázatot a Duna Aszfalt Zrt. nyerte. A kiviteli tervek készítésével így a konzorciumot már a Duna Aszfalt bízta meg.
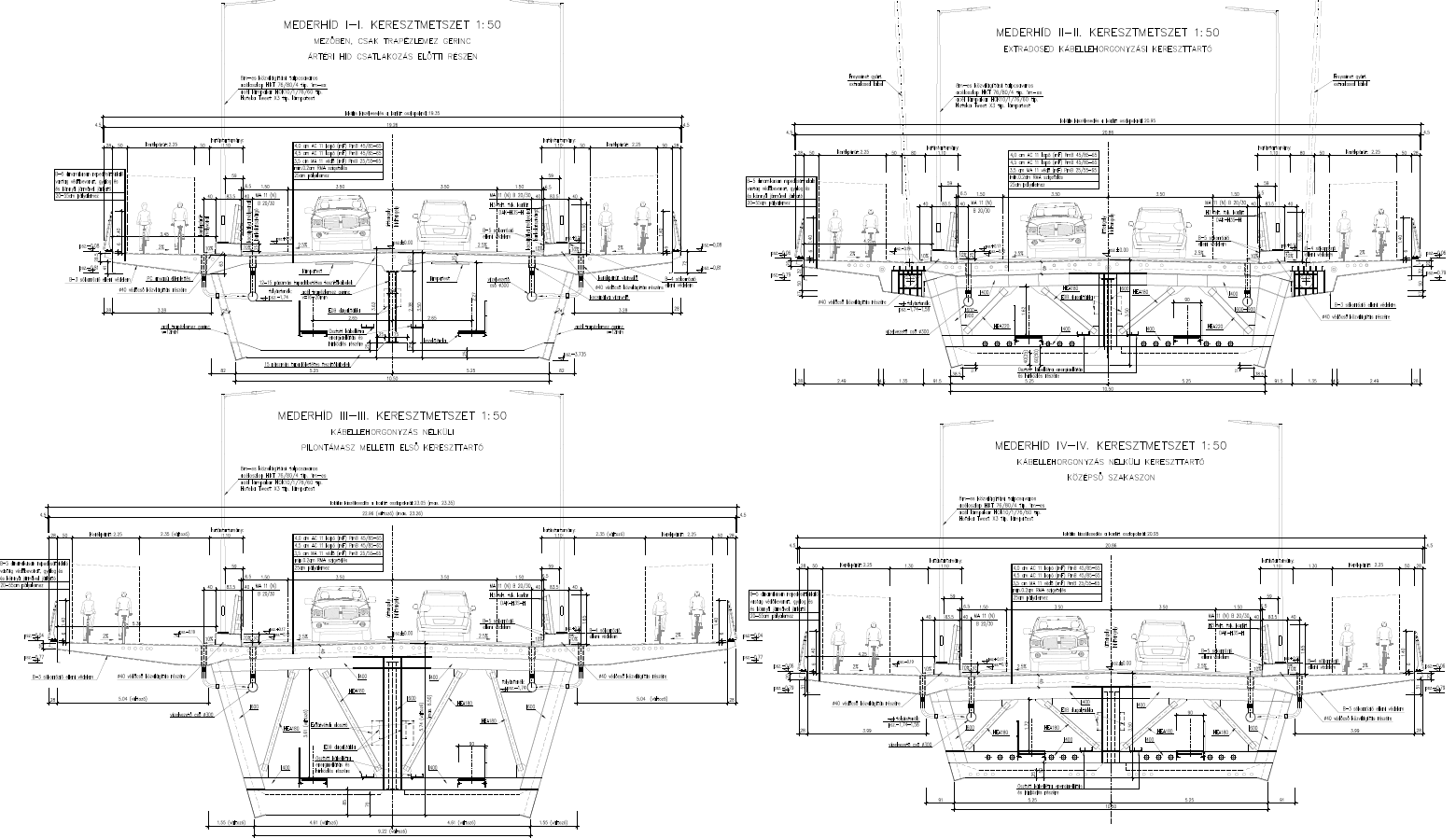
A híd típusáról
Mint már említettük, az előzetes tanulmányterv már adott némi iránymutatást a hídszerkezetre vonatkozóan, amely aztán a tovább tervezés során nyerte el végleges formáját. Ennek értelmében a mederhíd egy háromnyílású extradosed hídszerkezet lett. A mederhídhoz két ártéri, acélszerkezetű gerendahíd kapcsolódik a bal és jobb parton, amelyeknél a nyílásszámokat a javasolt ötről háromra csökkentette a végleges terv. Szerkezeti analógiaként a közel hasonló méretű, 180 méteres medernyílású algyői autópályahidat lehet említeni.

Ez azért szóra érdemes adat, mert a hídmérnök is ember, és ha egy mód van rá, akkor egy új hidat azért mindig célszerű egy kicsivel nagyobbra építeni, hiszen ki ne szeretné, ha az ő nevéhez fűződne valamilyen rekord… Így lett 200 méteres a Tomori Pál híd középső nyílása. Remélem, ez utóbbi megjegyzésből mindenki kiolvassa az iróniát, ugyanis a szigorú előírások és nem a tervezői büszkeség határozza meg a hajózási űrszelvény és ezzel a híd medernyílásának a méretét.
Az algyői egy Tiszán átívelő autópályahíd, ott a szabvány szerint bőven elegendő volt a 180 méteres hajózási űrszelvény, a Dunán viszont a 180 méter a minimumérték, és ezt – segítendő a hajózást – célszerű valamennyire meghaladni – ha erre a műszaki és természeti adottságok lehetőséget kínálnak. Ugyanezen előírások alapján kapta meg a 180-as szélességet a komáromi és a Megyeri híd is, mert ott egy nyílással biztosítható volt a szabvány űrszelvény-méret. (Zárójelben érdemes megjegyezni, hogy ezt a minimumértéket a budapesti hidaknál 90-98 méterekből igyekeznek összerakni, ezért a hajóvonták két irányban, külön „sávban” mennek.)

A Tomori Pál híd szerkezetére és környezetére pedig egyértelműen a 200 méter tűnt optimálisnak. Ezt indokolták a pillér- és a medervédelem szempontjai is, de ismert, hogy a hajók más és más merülési mélysége is befolyásoló tényező, és mindezen szempontok alapján nem előnyös a határérték közeléhez igazítani a támaszközök távolságát. Amúgy a nemzetközi szakirodalomban fellelhető, megvalósult, hasonló típusú extradosed hidak sem haladták meg jellemzően ezt a jelen helyzetben optimálisnak tűnő méretet, mert ha növelik a középső nyílást, az már egyértelműen költségnövelő, gazdaságossági tényezővé válik.
Hazai és nemzetközi ritkaságértéke okán talán érdemes röviden összefoglalni, mit jelent az extradosed szerkezet. Van a normál, feszítés nélküli gerendahíd. Ez a felszerkezetből, valamint a támaszokból áll, utóbbiak számát az áthidalandó akadály szélessége határozza meg. Az extradosed egy feszített-függesztett gerendahíd, ahol a híd felszerkezetét kábelek segítségével felfüggesztik egy oszlopszerű tartószerkezetre, az úgynevezett pilonra. Ha nagyon magas a pilon, mint például a Megyeri híd esetében, annak ferdekábeles híd a neve. A relatíve alacsony pilonos függesztett hidakat nevezzük extradosed-nak. A kábelek felszerkezetre gyakorolt hatásukat leegyszerűsítve a ferdekábeles hidaknál a kábelek a pályaszerkezetet inkább fölfelé emelik és kevésbé nyomják meg, az extradosed-szerkezet ezzel szemben inkább nyom és kevésbé emel.

A pilon magassága és a kábelek elrendezése – sugaras vagy hárfa – elsősorban az erőjátékból következik. A híd építészeti design- elemeinek – például a pilon vagy a pillér formája, a híd színezése stb. – megtervezése is a CÉH és Pont-Terv mérnökeinek kreativitását dicséri, amelybe beledolgozták a megrendelői javaslatokat is. Nem haszontalan rögzíteni, hogy a mederpillérek kialakítását a Duna áramlása határozza meg. A pálya feletti pilonrész ovális formát kapott, mindkét oldalán egy-egy decens harapásnyommal, ami játékos fény-árnyék hatásokat eredményez. Az ártéri hidak a mederhíddal való összevetésben csak koszorúslányok tudnak lenni: egyszerűbbek – amennyiben persze egyszerűnek lehet nevezni bármilyen hidat.
A szekrénytartós szerkezetű mederhíd felső övét feszített vasbeton pályalemez alkotja. (Erre kerül az aszfaltburkolat.) A mederhíd építése a folyami hidaknál már jól bevált technológiai alapján ún. szabadon szerelt és szabadon betonozott építéstechnológia alapján zajlott. Az építés a mederpillértől két irányban, mérlegszerűen, 5 m hosszúságú építési egységenként haladt. Az elemek szerelését zsaluzókocsi biztosította. Egy építési egység, ún. zöm építését is több ütemből hajtották végre az acél főtartóból és vasbeton fenék- és pályalemezből álló keresztmetszet miatt.

A szerkezeti egységeket a vasbeton lemezben vezetett tapadóbetétes kábelek segítségével össze is feszítették. Az első extradosed kábel felfüggesztést a 7-es építési egységnél végezték el. Ebben a fázisban a mederpillértől mindkét irányban már ~35 m hosszú konzol lógott a levegőben. A további építési egységek szereléséhez a parti nyílásban összesen két darab segédjárom épült. A medernyílásba a hajózás biztosítása miatt nem kerülhetett ideiglenes támasz, így a jobb és bal oldalról épített fél híd zárótagja 97,5 m hosszú konzolvégeket kötött össze.
Az érdekes, ritkán szóba kerülő részletekről
A kivitelezés során egyeztetések sokasága zajlott a Alsó-Duna-Völgyi Vízügyi Igazgatósággal, a terület gazdájával. A projekt részeként szaktervezők bevonásával több új sarkantyút is építettek a part menti szakaszokon. Ezek a műtárgyak nem csupán az áramlást segítik, de a halak természetes ívási folyamatának fenntartásában is nélkülözhetetlen szerepet játszanak. A környezetvédelmi tanulmányok végül igazolták, hogy az ártéri aláépítmények itt sem rövid, sem hosszú távon nem bolygatták meg a kelleténél jobban az ökoszisztémát. Ennek igazolására álljon itt egy apró, de nem jelentéktelen részlet, amely a tervezők alaposságát dicséri. A kérészek rendjébe tartozó dunavirág nevű rovar évi egyszeri rajzását a mesterséges fények akadályozzák, és a nőstények még azelőtt elpusztulnak, hogy petéiket a vízbe le tudnák rakni. Ezért a hídra tervezett közvilágítás nem vonzza a rovarokat, esztétikája azonban megközelíti más hidak díszvilágításának minőségét.

A kivitelezésről
Az igazán nagy fesztávolságú hidak kivitelezése során a tervezők és az építők a hőmérséklet-ingadozásokkal járó, időszaki anyagszerkezeti változások problémájával szembesülnek a leggyakrabban. Nem volt ez másként a Tomori Pál híd kivitelezése során sem. [Itt ajánljuk a figyelmükbe a Tomori Pál híd kivitelezésének projektvezetőjével, Wunderlich Istvánnal készült interjúnkat, amelyben még számos izgalmas részletet olvashatunk a három évig tartó építkezés műhelytitkairól – a szerk.] Mégis, hogyan képzeljük el, hogy építés közben mit jelent a hőmérsékletváltozás egy ilyen hatalmas szerkezetnél? Milyen negatív, illetve pozitív tartományban mozgó értékkel számoljon a tervező a reggeli felmelegedés, vagy az esti lehűlés során? De nemcsak az általános, hanem az egyenlőtlen hőmérséklet-változás is nagyon kényes dolog. Amikor a nap csak a híd egyik oldalát süti, a szerkezet ettől valamennyire elcsavarodik.
Dilatáció: Hőmérséklet-változás hatására a hídszerkezetek hossza változik, a tervezett helyen szabadon táguhatnak. Ennek megfelelően az ártéri hidak végkereszttartója mindkét hídfőnél vízzáró dilatációs szerkezettel kapcsolódik a hídfők térdfalához, a mozgástartományok ±120 mm (1. hídfő), és ±160 mm (10. hídfő). Szintén vízzáró dilatációs szerkezetekkel kapcsolódnak az ártéri hidak és a mederhíd a 4. jelű (mozgástartomány: ±200 mm), és 7. jelű (mozgástartomány: ±400 mm) közös pillérek felett.

Az úgynevezett szabadon szerelt és szabadon betonozott technológia – vagyis hogy helyben szerelt darabokból lett összeépítve a híd – során a beemelt acélszerkezeti elemeket már csak csekély szögben lehet mozgatni a hegesztés és betonozás előtt. A teljes szerkezet ettől kezdve együtt mozog az alsó vasbeton lemezzel és a felső, ugyancsak vasbeton pályalemezzel. Ez ugyebár egy kötött pozíciót eredményez. Majd a beton megszilárdulása után történnek meg a feszítések, hogy az elemek „beleragadjanak” a szerkezetbe. A nehézség nemcsak a hőmérsékletváltozásból fakadó torzulásokból következik, de az épülő szerkezet egyre nagyobb tömegéből is, mert a szerkezetnek végül, az utolsó zömnél, középen megfelelő hossz- és keresztirányban találkoznia is kell.
Hogy még tovább bonyolítsuk a kivitelezés amúgy sem egyszerű technológiájának bemutatását, tudni kell, hogy építés közben az aktuális konzolvég előtti harmadik elemnél ferdekábel feszítés is történik, ez a fázis pedig emelni kezdi a szerkezetet. Hőmérséklet-ingadozás, tömegváltozás, a fellépő rőhatások… Ez egy hihetetlenül összetett rendszer. A siker titka egyrészt abban állt, hogy a kivitelező és a tervező a beruházás kezdetén pontról pontra, a legapróbb részletekig rögzített minden egyes építési fázist a szükséges számításokkal egyetemben. Az előre rögzített építéstechnológiai folyamatot csak a havária helyzetek befolyásolták olykor-olykor, ezekre a megoldást pedig a helyszíni együttműködésben találták meg.

A tömör pilonok külön figyelmet érdemelnek. A CÉH tervezőinek – dr. Kisbán Sándor hídtervezési szakági főmérnök, Kiss Rudolf híd szakági főmérnök és Pusztai Pál híd- és tartószerkezeti vezető tervező – köszönhetően a Tomori Pál híd még egy megoldásában debütánsnak számít Magyarországon, ez pedig a ferdekábelek pilonokban való egyedi, ún. link elemeken történő lehorgonyzása. Ezeknek a kifli formájú acélelemeknek a kilógó csücskeiben vannak a ferdekábelek lehorgonyozva.
Ez az új megoldás két előnnyel is jár. Egyrészt a ferdekábelek egy hagyományos acélszerkezetbe vannak megközelíthetően lehorgonyozva, ami fenntartási, üzemeltetési és korrózióvédelmi szempontból sokkal egyszerűbb és jobban kezelhető. A másik pedig, hogy a link elembe befutó és az abból kiérkező kábeleknek nem kell azonos pászmaszámúnak lenniük, tehát ez a megoldás erőtani szempontból is jobban leköveti a hídra ható erőket, nem beszélve a gazdaságossági előnyökről. Az ilyen típusú, felső feszítőműves hidaknál manapság a nyeregtartók helyett egyre több helyen alkalmazzák ezt a konstrukciót, amit Magyarországon először a Tomori Pál hídnál alkalmaztak.
Végezetül érdemes még pár szót ejteni a BME által végzett próbaterhelésről, amely során 20 darab 40 tonnás, sóderrel teli jármű hajtott fel és parkolt le a hídon. A próbaterhelés tökéletesen igazolta a tervezők előzetes kalkulációit.
A kooperációról és a személyes dicsőségről
A híd rövid ismertetése alapján is érezhető, hogy kivitelező és tervező szoros együttműködése nélkül nem jöhetett volna létre ez a mérnöki alkotás. A közös erőfeszítést, mérnöki munkát a hidász szakma is elismerte és díjazta. Kivitelezői oldalról Wunderlich Istvánt, a Duna Csoport projektvezető mérnökét 2025-ben az „Év Hidásza” címmel tüntették ki. Tervezői oldalról dr. Kisbán Sándor 2024-ben vehette át ezt a kitüntető vándordíjat az évente egyszer megrendezendő Hidász Napokon.
Kiss Rudolf, a CÉH zRt. híd szakági főmérnöke így foglalta össze véleményét egy beszélgetés során: „Minden magyarországi mérnöknek jó, ha egy Duna-híd összejön az életében, és ezzel a híddal végre én is eljutottam a szakmai karrierem csúcsára. Hálás vagyok, és roppant büszke a végeredményre.”
A tervezett hídszerkezet:
Ártéri hidak: 3 nyílású gerendahidak
Mederhíd: 3 nyílású extradosed típusú híd
Főbb adatok:
Teljes hídhossz: 946 m
Ártéri hidak hossza: 220+286 m
Mederhíd hossza: 440 m
Legnagyobb támaszköz: 200 m
Támaszok száma: 10 db
Pilon magasság: 22 m
Műtárgytervezés: Kiss Rudolf, Pusztai Pál, dr. Kisbán Sándor – CÉH Tervező, Beruházó és Fejlesztő zRt.
Úttervezés: Tóth Csaba – UTIBER Közúti Beruházó Kft.
Műtárgytervezés: Nagy András, dr. Szabó Gergely, Fornay Csaba – Pont-Terv Mérnöki Tervező és Tanácsadó Zrt.
Generálkivitelező: Duna Aszfalt Zrt.
Megbízó: Építési és Közlekedési Minisztérium


